徕卡抽油机节电器采用32位电机控制专用微处理器,高精度频率输出,允许的电压波动范围广,内部器件的温升降低,华体会平台持续运转寿命长,具有完善的保护功能及故障诊断系统,性能指标达到国际先进水平。
二、节能原理
抽油机节电器采用调速控制,则可以改变抽油机长期处于低效做功的状态,使其工作方式与油井实际负荷相匹配,保证每次都抽油,减少低效甚至无效抽取,从而降低电费开支,减少维护成本,提高运行效率。具体效果如下:
1. 抽油机专用节电器具有软起动功能,起动时电流较小,对电网冲击小,能耗大为降低。避免了启动时相当于3~7倍的额定电流,避免了不必要的电能损耗。损耗同时减少了对电动机,变速箱,抽油机等大机械的冲击,延长了相关设备的使用寿命。在工作中电机的功率因数可从0.2~0.5提高到0.9,减轻电网和变压器的负担,降低线损,大量减少了无功损耗。
2. 抽油机专用节电器可实现设备上、下行程自动识别,从而控制抽油机上、下行程的电机运行频率分别可调,以改变抽油机上、下行程的运行速度。例如,在下行程时适当降低速度,可以减小抽油杆的弯曲度,从而降低偏磨程度,提高原油在泵内的充满度;在上行程时适当提高速度,则可减少在提升中的漏失系数,有效的提高单位时间内原油产量。同时还解决了因更换皮带轮调速造成的停产,从而提高了生产效率,达到满足泵效的情况下耗用最少的电能。
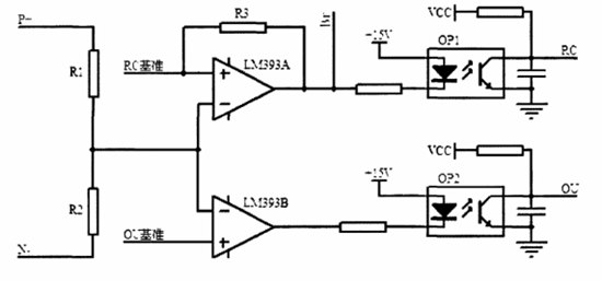
3. 由于抽油机下行时负载性质为位势负载,抽油机专用节电器加装能耗制动功能后恰能适应其工况。当抽油机处于“倒发电”状态时,能量会在直流侧电容上迅速积累,电压会被抬升。为了保证系统的安全,当电压超过一定门限值时,耗能回路导通,将多余的能量经过大电阻消耗掉。P、N表示直流侧电压,RC表示耗能吸收信号,OU表示过压故障信号。
见下图:
耗能吸收检测电路原理图
4. 动态调节磕头机的冲程频次,随着油井由浅入深的抽取,油量逐渐减小,出现泵充满度不足,泵效下降,当油井的供油能力小于抽油泵排量时,就造成泵抽空和液击现象。降低频率,电机转速下降,提高充满度,不仅节能而且增加原油产量。
三、华体会平台性能参数
1. 华体会平台特点:
具有旁路系统:当抽油机节电器故障时可切回换市电,保证工作连续性
输出频率范围:0.5~400Hz
输出电压可调
优化电压空间矢量控制
完美的静音控制,降低电动机的高频噪音
20种V/F转矩补偿曲线
AVR 自动电压调整功能
内置PID闭环控制功能
内置简易PLC控制器,8段速度程序运行
可编程输出端子,满足不同的用户需求
速度PG反馈接口
键盘热插拔功能
七种存储频率
2. 主要技术指标:


四、经济效益
以每天24小时运转的12型抽油机配套的75kW电动机为例,改造前单井平均有功功率26kW,单抽油机年平均用电22万kWh(电表计量,年工作350天),按平均节电率20%计算,每年可节约电量44000kWh(220000×20%),工业用电0.8元/千瓦时,单台年节约电费35200元。安装抽油机节电器还可节省维修成本,电网治理等一系列费用,每年可节约总费用38000元。






